
特征
●不需要直流阻塞电容器-输出偏置在0V-优良的低频保真度
•3.6mA典型供电电流
•低待机电流:0.1μA
•差分或单端输入-内置电阻器减少元件数量-提高系统噪声性能
•低THD+N:0.01%(3.6V,32欧姆,20mW)
·输出功率:28mW(PVDD=3.6V,RL=32,THD+N=1%)。
•电源:2.5V-5.5V
●增益设置:-6/0/3/6dB
•热过载和低压故障预防功能
·无铅,小包装-QFN16(3m*3m)
描述
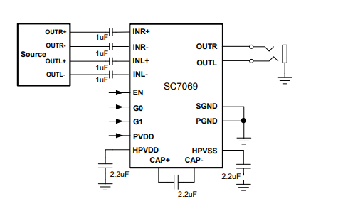
SC7069是一个立体声耳机放大器,消除了对外部直流阻塞输出电容器的需要。
SC7069具有立体声输入,可以设置为差分或单端输入。4不同增益和不同内置电阻减少外部组件是可选择的。
SC7069从3.6V电源驱动28mW到32欧姆扬声器/耳机。THD+N为0.01%。
SC7069以3.6mA的典型电源电流从单个2.5V工作到5.5V。关机方式使电源电流小于1μA。SC7069集成了热过载保护、低压故障预防功能。
申请
•蓝牙耳机
•智能手机
•便携式扬声器
•平板电脑/笔记本
上一篇:SC358 运算放大电路/低压
下一篇:德仪:转战利基芯片应用市场拼成长