
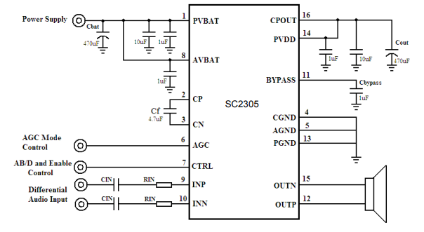
概述
内置自动升压模块的 给音箱提供了宽裕的功 率输出,可升压至6.2V。当输入信号较小时,升压电 路不工作,D类直接由电源供电;当输入信号变大时, 自动升压电路启动,Charge pump升压至6.2V电压给 D类供电。这样可以提高系统工作效率,延长电池续 航时间。 具有四种模式可选的AGC防破音功能,能显 著提高音质,创造舒适的听音享受,并保护扬声器 免受过载损坏。 具备AB类/D类模式切换功能,切换至AB类可 减少系统中功放对FM的干扰。 的全差分架构有效地提高了芯片对RF噪声的 抑制能力。无需滤波器的PWM调制结构及内置的升 压模块,尽可能的减少了外围器件。 内置了过流保护,短路保护和过热保护,有效的 保护芯片在异常的工作条件下不被损坏。
特点
・输入电压范围:2.7V~5.5V ・内置自适应 Charge pump 升压电路,可将输出 电压自动升压至 6.2V ・D 类/AB 类切换 ・四种 AGC 防破音模式可选 ・输出功率:D 类模式 PO =4.9W( @10% THD+N, VBAT = 4.2V RL=4Ω+33uH, AGCOFF 模式) PO =4.0W( @1% THD+N, VBAT = 4.2V RL=4Ω+33uH, AGCOFF 模式) ・无需滤波的 D 类 PWM 输出 ・过流、欠压和过温保护功能 ・带散热片 eSOP16 的 Rohs 标准环保封装
应用
・便携式音箱、蓝牙音箱
・便携式游戏机
・扩音器
・MP4,导航仪
上一篇:SC4054 充电管理
下一篇:SC2302 MOS