
概述
SC2306sp是目前行业领先的、一颗创新功能的功放IC。它自带升压的同时,还带自动升压,大大的提高了电池的续航时间和使用寿命,提高了终端产品的工作效率。
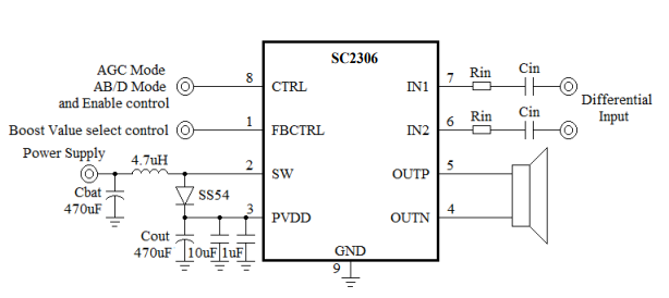
内置异步自动升压模块的 给音箱提供了宽裕 的功率输出,并且最大升压值在5.7V、6.6V、7.2V 和7.5V四个电压值之间可选。当输入信号较小时,升 压电路不工作,D类直接由电源供电;当输入信号变 大时,自动开启升压模块升压至中间电平给D类供 电;当输入信号变得更大时,升压电路继续升压至 用户设定最大电压给D类供电,这样可以提高系统工 作效率,延长电池续航时间。 具有AGC防破音功能,能显著提高音质,创 造舒适的听音享受,并保护扬声器免受过载损坏。 具备AB类/D类模式切换功能,切换至AB类可 减少系统中功放对FM的干扰。 SC2306 的全差分架构有效地提高了芯片对RF噪声的 抑制能力。无需滤波器的PWM调制结构及内置的升 压模块,尽可能的减少了外围器件,另外 内置了 过流保护,短路保护和过热保护,有效的保护芯片在 异常的工作条件下不被损坏。
特点
・输入电压范围:3V~5.5V
・内置自适应升压电路,将输出电压自动升压至 5.7/6.6V/7.2/7.5V
・AGC 防破音功能
・D 类/AB 类切换
・无需滤波的 D 类 PWM 输出
・输出功率 PO (@10% THD+N, VBAT = 3.7V) RL=4Ω,5.6W(BOOST 升压值为 6.6V) RL=4Ω,7.0W(BOOST 升压值为 7.5V)
・过流、短路、欠压和过温保护功能
・Rohs 标准环保封装: 带散热片的 eSOP8 封装
应用
・便携式音箱、蓝牙音箱
・便携式游戏机
・扩音器
・MP4,导航仪
・平板电脑
・笔记本电脑