
Features
・No Need for DC-Blocking Capacitors - Outputs Biased at 0V - Excellent Low Frequency Fidelity
・3.6mA Typical Supply Current
・Low Standby Current: 0.1μA
・Differential or Single-Ended Inputs - Built-In Resistors Reduces Component Count - Improves System Noise Performance
・Low THD+N: 0.01% (3.6V, 32ohm, 20mW)
・Output Power: 28mW (PVDD=3.6V, RL=32Ω, THD+N=1%)
・Power Supply: 2.5V-5.5V
・Gain Setting: -6/0/3/6 dB
・Thermal-Overload and Low Voltage Malfunction Prevention Function
・Pb-Free, Small Package available -QFN16(3m*3m)
Description
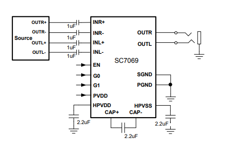
SC7069 is a stereo headphone amplifier that eliminates the need for external dc-blocking output capacitors.
SC7069 features stereo inputs that can be set in either differential or single-ended input. 4 different gain with different built-in resistors reducing external component is selectable.
SC7069 drives 28mW into 32ohm speakers/headphone from a 3.6V supply. THD+N is 0.01% low.
SC7069 operates from a single 2.5V to 5.5V supply with 3.6mA of typical supply current. Shutdown mode reduces supply current to less than 1μA. Thermal-overload protection, low voltage malfunction prevention function is integrated in SC7069.
Application
・Bluetooth headset
・Smart phone
・Portable speaker
・Tablet/Notebook
上一篇:HT4832