
General Description
The VA2221L is a cost-effective filter-less Class D stereo audio power amplifier that operates in wide range of various power supplies. VA2221L provide volume control with two selectable gain settings (26dB, 36dB). VA2221L can output 1 5W per channel into 80 load with lower supply current and fewer external components for driving bridged-tied stereo speaker directly with excellent EMI perform-ance. With the function of power limit, the speakers .could be operated safely and the input signal would
be also normalized.
VA2221L operates with high efficiency energy con-version up to 88% (80 Load) so that the external heat sink can be eliminated while playing music.
VA2221L also integrates Anti-Pop, Output Short & Over-Heat Protection Circuitry to ensure device re-liability. This device also provides the DC detect and protection scheme to prevent the damage of speaker voice coils. .The VA2221L is available in small TSSOP-28 green package with exposed pad.
Features
- Operation Voltage from 6V to 26V
- Excellent EMI Performance
- Maximum 88% Efficiency with an 8Q Speaker
- Stereo Mode:
15W@4Q∩Load at 12V
20W@8Q Load at 1 8V
- Mono Mode:
25W@4Q Load at 12V
30W@4Q Load at 1 8V
- Two Selectable Gain Settings
- Scalable Power Limit Function
- Speaker DC Detection and Protection
- Thermal Protection with Auto-Recovery
- Speaker Protection Circuitry
- Short Circuit and Thermal Protection
- RoHS 2.0 compliant TSSOP-28 Green Pack-
age with Exposed Pad
Applications
- LCD TV
- Multimedia Speakers
- Sound Bar
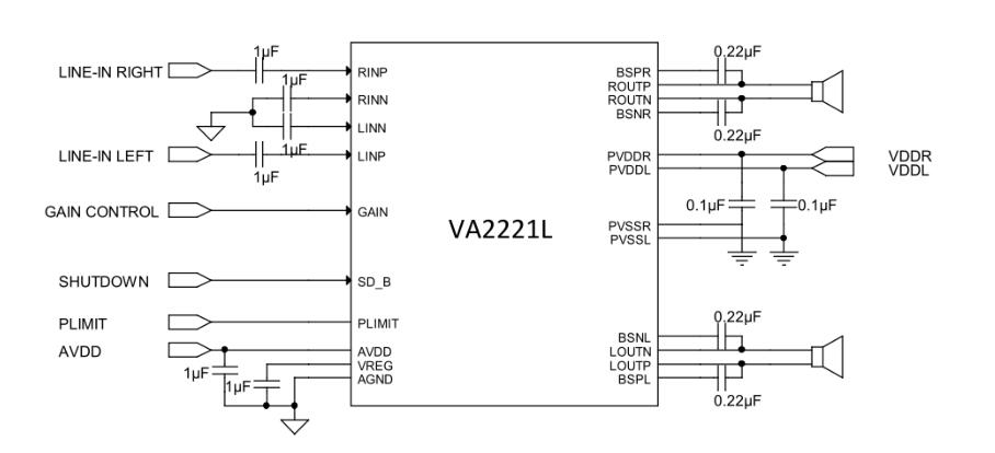
Typical Application