
The VA2239 is a cost-effective filter-less Class D stereo audio power amplifier that operates in wide range of various power supplies. VA2239 provide gain control with simple voltage dividers. VA2239 can output 50W per channel into 4Ω load with lower supply current and fewer external com- ponents for driving bridged-tied stereo speaker directly. Five different PWM frequency adjustment makes VA2239 is suitable for any consumer elec- tronics especially for high power output audio speakers. With the function of power limit, the speakers could be operated safely and the input signal would be also normalized.
VA2239 operates with high efficiency energy con- version up to 90% (8Ω Load) so that the external heat sink can be eliminated while playing music.
VA2239 also integrates Anti-Pop, Output Short & Over-Heat Protection Circuitry to ensure device re- liability. This device also provides the DC detect and protection scheme to prevent the damage of speaker voice coils.
The VA2239 is available in TSSOP-28 green pack- age with exposed pad-up.
Features
-Operation Voltage from 4.5V to 26V
-Maximum 90% Efficiency with an 8Ω Speaker
-2x50W@4Ω with THD+N =10% at 21V
-2x35W@4Ω with THD+N =1% at 18V
-1x60W@3Ω with THD+N =1% at 18V (PBTL)
-1x80W@3Ω with THD+N<1% at 24V (PBTL)
-Multiple Switching Frequencies for AM Avoidance
-Optional Clock Master/Slave Synchronization
-4 Segments Configurable PWM Frequency: 400kHz/500kHz/600kHz/1MHz
-Voltage-Divider Selectable Gain Settings
-Excellent EMI/EMC Performance
-Scalable Power Limit Function
-Fault Indication Output Terminal
-Speaker DC Detection and Protection
-Parallel BTL Speaker Driving Connection
-Thermal Protection with Auto-Recovery
-Speaker Protection Circuitry
-Short Circuit and Thermal Protection
-RoHS 2.0 compliant TSSOP-28 Green Pack- age with Exposed Pad-Up
Applications
-Multimedia Speaker
-Aftermarket Automotive
-Sound Bar and Boombox
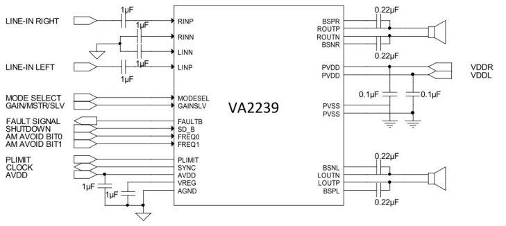
Typical Application